GMC Yukon (2017 2020) fuse box diagram Auto Genius

2015 Gmc Yukon Fuse Box Diagram. 2015 GMC Yukon fuse box diagram StartMyCar Year of production: 2015, 2016 GMC Yukon (2017) Fuse Box Diagram Fuse Layout GMC Yukon / Yukon XL 2015-2020 Cigar lighter (power outlet) fuses in the GMC Yukon are the fuses #4 (Accessory Power Outlet 1), #50 (Accessory Power Outlet 2) in the Left Instrument panel fuse box, fuses #4 (Accessory Power Outlet 4), #50 (Accessory Power Outlet 3) in the Right Instrument panel fuse box, and fuse #14 (Rear Accessory.

2016 Denali GMC Yukon fuse box diagram StartMyCar
2016 Denali GMC Yukon fuse box diagram StartMyCar from www.startmycar.com

GMC Yukon fuse box diagram - layouts and locations Explore interactive fuse box and relay diagrams for the GMC Yukon

2016 Denali GMC Yukon fuse box diagram StartMyCar

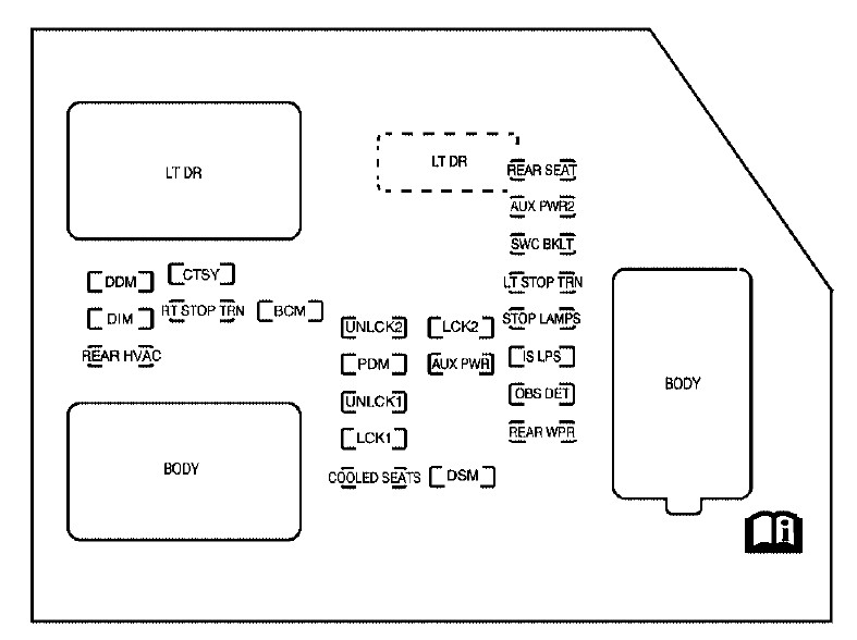
If the motor overheats due to heavy snow, etc., the wiper will stop until the motor cools GMC Yukon fuse box diagram - layouts and locations Year of production: 2015, 2016 All GMC Yukon schemas On this page: Engine Compartment Fuse Block; Instrument Panel Fuse Block (Left)

2023 GMC Yukon XL Fuses and Fuse Box Instructions Auto User Guide. If the motor overheats due to heavy snow, etc., the wiper will stop until the motor cools See more on our website: https://fuse-box.info/gmc/gmc-yukon-2015-2018-fuses-and-relayFuse box diagram (location and assignment of electrical fuses and relay.

2015 GMC Yukon fuse box diagram StartMyCar. Headlamp Wiring An electrical overload may cause the lamps to go on and off, or in some cases to remain off.Have the headlamp wiring checked right away if the lamps go on and off or remain off. The windshield wiper motor is protected by an internal circuit breaker and a fuse