850LM Liftmaster Universal Receiver

Liftmaster Mt5011 Radio Receiver. LiftMaster Commercial Operator Model MJ5011U, 1/2 HP (Part Also for: Liftmaster bmt5011, Liftmaster mt5025, Liftmaster bmt5025. • Radio receiver: A factory installed radio receiver allows remote controls, keyless entries and other remote command devices to be programmed to the operator

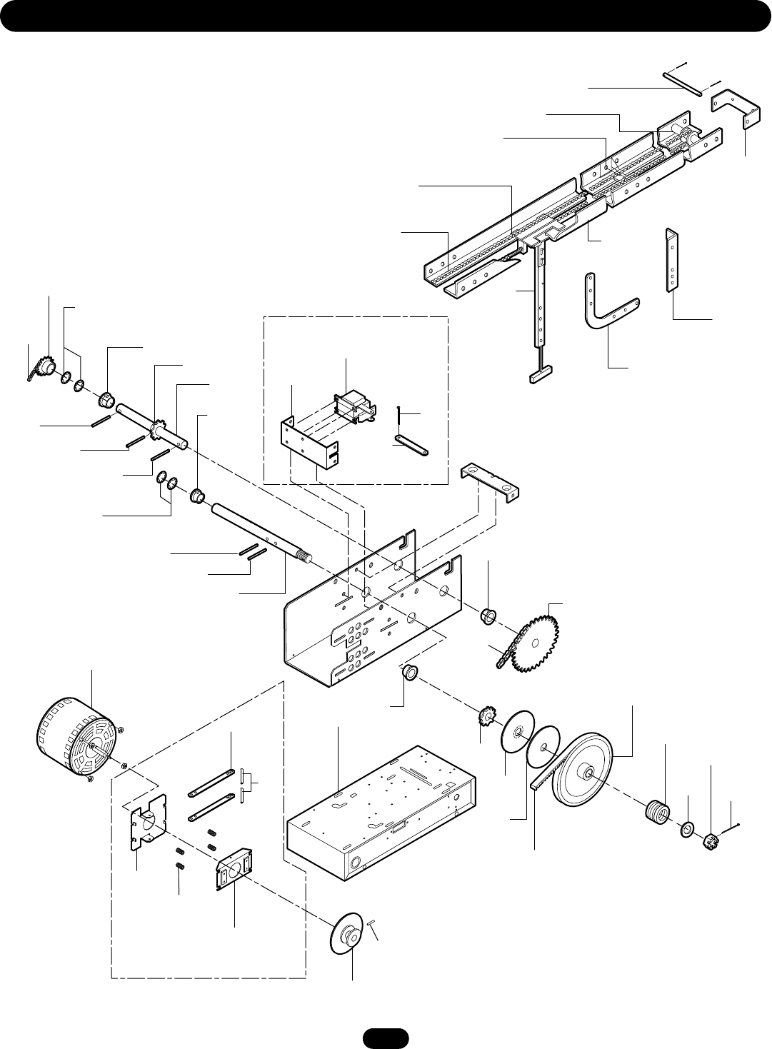
Liftmaster MT5011U Commercial Opener Connection Wiring Openers
Liftmaster MT5011U Commercial Opener Connection Wiring Openers from community.garadget.com

All standard radio control receivers (single channel residential type) may be mounted to this bracket All standard radio control DO NOT USE RADIO CONTROLS WITH YOUR receivers (single channel residential type) may be.

Liftmaster MT5011U Commercial Opener Connection Wiring Openers

Liftmaster MT5011 Medium-Duty Trolley Operator for Standard Lift Doors up to 14' tall 1/2 HP, 110 VAC for other voltages see T models non medium duty operators Garage Door Opener Gate Opener Remote Control Receiver Intercom System All standard radio control DO NOT USE RADIO CONTROLS WITH YOUR receivers (single channel residential type) may be.

(4) Liftmaster MT5011 overhead door motors in Carl Junction, MO Item. Radio Receiver Built on Board 315 MHz Installation Date MH 5011U MHS 5011U MGJ 5011U MT 5011U BMT 5011U MJ 5011U www.liftmaster.com CONTACT INFORMATION MEDIUM DUTY LOGIC USER'S GUIDE For more information: www.devancocanada.com or call toll free at 855-931-3334 Built in 315 MHz radio receiver permits as many as 20 Security ® remote controls or dip switch remote controls in any combination

I have MT5011 Liftmaster (Chamberlain) Commercial door opener on my. Garage Door Opener Gate Opener Remote Control Receiver Intercom System • Radio receiver: A factory installed radio receiver allows remote controls, keyless entries and other remote command devices to be programmed to the operator